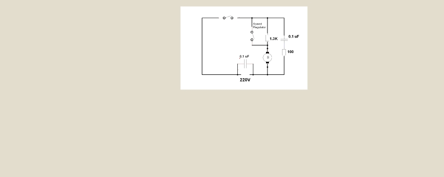
The electrical part looks like this diagram.

The electronic calculators I bought mostly needed no repair except for replacement of rechargeable NiCad cells.
If the cells or normal batteries have been leaking, the contacts can be cleaned with vinegar. That generally gives satisfying results.
NiCad cells can be replaced with modern low-leakage NiMH cells. They are available in much larger capacity resulting in much longer charging times than originally. However, there is a major drawback. The old chargers don’t charge NiMh well. (See Canon LE10)




Several collectors (*) helped a lot to develop the skills which enabled me to get every machine on this website in a working condition.
(*) Note: many of them present on the internet: see Links
The very basic necessities:

A headlight and small led light help to see what’s happening inside a machine.
Petrol mixed with a few percent of thin oil and some small brushes help to clean the machine.
WD40 helps to loosen stuck parts. After a successful application it’s best to remove the remaining WD40 with the above petrol mixture.
For most lubrication a reasonably thin oil is OK.
I use 5W40 motor oil for most parts.
For very small parts clock oil (Koch nr 3 or 4) seems to be fine.
For gears a multi-purpose grease is used.







Some small wrenches are used a lot: 5/16”, ¼” and 5.5mm. Others may well be needed.
Some screwdrivers needed modification to accommodate the sometimes very narrow screw slots.
| Mechanical Calculators |
| Electronic Calculators |
| Typewriters |